消防安裝
聯系我們
- 聯系人:郭經理
- 傳真:010-69552656
- 電話:400-0346-119
- 電話:010-57491119
- 郵箱:506665119@qq.com
- 地址:北京通州區M5運河1號3號樓403室
北大青鳥電氣火災監控系統
北大青鳥多線制消防電話主機?????
來源:北大青鳥消防設備 時間:2021-08-12 10:26:17
多線制消防電話主機
設備外形:
執行標準:GB16806-2006
功能說明:
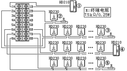
- 2N線制連接,每門分機電話線長度適于1500米以內。1~40門分機地址,配接專用消防電話分機和消防電話插孔。
- 每路電話線路上不允許并接2只以上的電話分機。
- 實時時鐘顯示??倷C斷電后,時鐘由電池供電確保走時不間斷。
- 消防電話分機摘機或插孔式消防電話分機插入消防電話插孔中可直接呼叫總機。總機可通過地址操作與多部分機呼叫和通話。消防電話分機、消防電話插孔設有工作狀態指示燈。
- 自動記錄呼叫或通話情況,通話時自動錄音。具有電話線路斷路故障判斷能力,并有聲光故障報警。
- 電話分機和電話插孔具有工作狀態指示。
- HD230電話插孔可并聯使用,每門-多可接入30個,末端需接入終端電阻7.5K(隨主機配給),用于開路故障判斷。
技術指標:
| 工作電壓 | DC24V(由報警控制器或消防聯動電源提供) |
| 工作電流 | < 2A |
| 線 制 | 2N |
| 工作溫度 | -25…+50℃ |
| 話線電壓 | DC15V |
| 相對濕度 | ≤95%(40±2℃) |
| 容 量 | -大40門;-小8門 |
| 系統布線 | 宜選用截面積不小于1.0mm2 的屏蔽雙色雙絞線。 |


